8 (800) 775 40 55
Звонок из регионов России
бесплатный!
бесплатный!
Профессиональный строительный инструмент и оборудование
Каталог инструментов
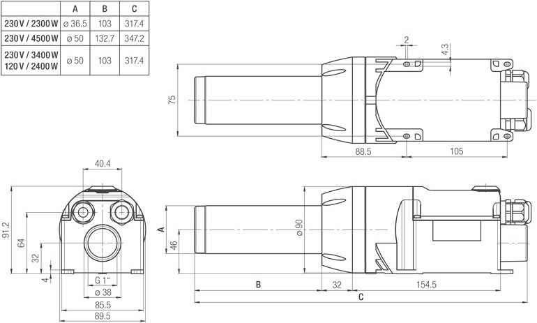
Фен промышленный Leister Mistral 6 System
Фен промышленный Leister Mistral 6 System (Ляйстер Мистраль 6 Систем) – компактный и мощный тепловентилятор, в котором объединены вентилятор и воздухонагреватель, незаменим на объектах, где для монтажа отдельного вентилятора недостаточно места. Широко применяется в разных областях промышленности для выполнения таких задач, как: сушка, формовка, термоусадка, каширование, ламинация, активация клея и т.д.
Производитель: LEISTER (ЛЯЙСТЕР) – Швейцария.
Преимущества фена промышленного Leister Mistral 6 System:
- Многоцелевое назначение и надежность: подходит для решения различных задач, может использоваться как ручной сварочный термофен или встраиваться в технологическое оборудование
- Быстрый и точно контролируемый обдув горячим воздухом
- Бесщеточный двигатель вентилятора, не требующий технического обслуживания, для беспрерывной эксплуатации
- Интегрированная силовая электроника
- Температура и объем воздуха бесступенчато регулируются с помощью поворотного переключателя e-Drive
- Защита от нагревания деталей и перегрева устройства
- Вывод аварийных сигналов
- Интерфейс дистанционного управления для установки объема воздуха температуры или мощности
- Автоматическая функция охлаждения
- Интегрированный датчик температур
- Дисплей для индикации заданных или фактических значений
- 3-х ступенчатая настройка параметров управления (открытые, средние и малые насадки)
- Высокое качество сборки
| Изображение | Артикул | Наименование |
| 107.254 | Фланцевая насадка, насаживается, a = 70 мм | |
| 122.332 | Адаптер, насаживается, a = Ø 50 мм на b = Ø 62 мм | |
| 122.924 | Адаптер, насаживается, a = Ø 50 мм на b = Ø 37 мм | |
| 107.255 | Трубная удлиняющая насадка, насаживается, a × b: 160 × 36,5 мм | |
| 105.950 | Трубная насадка, насаживается, a × b × c: 460 × 300 × 2 мм | |
| 107.257 | Трубная насадка, насаживается, a × b × c: 590 × 420 × 1,47 мм | |
| 105.955 | Трубная насадка, насаживается, a × b × c: 836 × 660 × 1 мм | |
| 105.952 | Трубная насадка, насаживается, a × b × c: 900 × 800 × 0,9 мм | |
| 107.256 | Угловая насадка, насаживается, Ø 50 мм, длина колен a × b: 160 × 100 мм | |
| 105.961 | Широкая щелевая насадка, насаживается, длина 350 мм, a × b: 45 × 12 мм | |
| 107.258 | Широкая щелевая насадка, насаживается, длина 350 мм, a × b: 70 × 10 мм | |
| 106.057 | Широкая щелевая насадка, насаживается, a × b: 100 × 4 мм | |
| 106.060 | Широкая щелевая насадка, насаживается, a × b: 150 × 6 мм | |
| 107.270 | Широкая щелевая насадка, насаживается, a × b: 150 × 12 мм | |
| 106.061 | Широкая щелевая насадка, насаживается, a × b: 300 × 6 мм | |
| 107.331 | Створчатая рефлекторная насадка, насаживается, d × b: 70 × 70 мм | |
| 107.340 | Рефлекторная тоннельная насадка, насаживается, a × b: 45 × 250 мм | |
| 107.327 | Решетчатая рефлекторная насадка, насаживается, a × b: 70 × 75 мм | |
| 107.333 | Решетчатая рефлекторная насадка, насаживается, a × b: 130 × 150 мм | |
| 107.330 | Створчатая рефлекторная насадка, насаживается, d × b: 125 × 22 мм | |
| 106.127 | Решетчатая рефлекторная насадка "душ", насаживается, Ø 65 мм | |
| 106.956 | Температурный зонд со штекером, кабель 1 м | |
| 106.958 | Удлинительный кабель со штекерами для температурного зонда, 2 м | |
| 106.960 | Удлинительный кабель со штекерами для температурного зонда, 4 м | |
| 106.962 | Удлинительный кабель со штекерами для температурного зонда, 10 м | |
| 123.039 | Температурный контроллер CSS |
Цена и технические характеристики фена промышленного Leister Mistral 6 System:
Технический паяльный фен
-
Алмазные коронки по железобетону Kern Diamond Bit Concrete Premium 132 ммДиаметр: 132 ммРабочая длина: 450 ммЦена: 13 600 руб.
-
Алмазные коронки по железобетону Kern Diamond Bit Concrete Premium 250 ммДиаметр: 250 ммРабочая длина: 450 ммЦена: 36 400 руб.
-
Алмазная коронка для сухого бурения с микроударом Адель Diamond Hit DH-D401 200 ммДиаметр: 200 ммРабочая длина: 450 ммЦена: 18 400 руб.
-
Складная регулируемая роликовая опора для труб Remmers Mantis 1/8-12Диаметр труб: 3 - 300 мм (1/8" - 12")Высота: 820 - 1400 мм (32" - 55")Цена: 13 900 руб.
-
Алмазная коронка для сухого бурения с микроударом Адель Diamond Hit DH-D400 122 ммДиаметр: 122 ммРабочая длина: 450 ммЦена: 8 800 руб.
-
Алмазная коронка для сухого бурения с микроударом Адель Diamond Hit DH-D401 172 ммДиаметр: 172 ммРабочая длина: 450 ммЦена: 15 600 руб.
-
Алмазные коронки по железобетону Kern Diamond Bit Concrete Premium 82 ммДиаметр: 82 ммРабочая длина: 450 ммЦена: 9 500 руб.
-
Алмазная коронка для сухого бурения с микроударом Адель Diamond Hit DH-D400 36 ммДиаметр: 36 ммРабочая длина: 450 ммЦена: 4 000 руб.
Новости
-
26.11.2025Новые поступления для серьёзной работы: спираль и адаптер от Crocodile
-
21.11.2024Поступление желобонакатчиков GruvMaster - Новинка на Российском рынке!
-
27.12.2023С новым 2024 годом!
-
20.12.2022Режим работы в Новогодние праздники
-
12.10.2022ФСБ сообщила о попытке теракта с ПЗРК «Игла» в Подмосковье







Отзывы
Оставьте Ваш отзыв